Alarmanlage Bauen Schaltplan
Einbruchsicherung und alarmanlage fenster und türen sind gegen einbruch geschützt und überwacht. Sie sollten im ersten schritt dort, wo alarm geschlagen werden soll, ein akustisches oder optisches gerät, das von niederspannung betrieben wird, anbringen.

Alarmanlage für die Schule bauen(FIP) (Technik, Elektronik)
Vergrößern so schließen sie die led an.
Alarmanlage bauen schaltplan. Einfache alarmanlage für die schublade oder türe bauen beschreibung: Alarmanlage bewegungsmelder gunstig kaufen ebay. Bm 04 passiver infrarot bewegungsmelder.
6 unterrichtszeiteinheiten (uze) benötigtes material sperrholzplatte, summer, flachbatterie, montagematerial kompetenzerwartungen und inhalte Dies ist ein etwas anspruchsvolleres projekt für leute, die sich in den grundlagen der elektrotechnik auskennen. Alarmanlage bewegungsmelder gunstig kaufen ebay.
Test, und aufstellung der bestseller, neuheiten und erfahrungen wir möchten sie beim kaufen ihres wunschproduktes beraten. So können sie eine lichtschranke selber bauen. Eine der einfachsten möglichkeiten besteht darin, in verbindung mit einer alarmklingel oder einer alarmlampe einen transistor als schalter zu nutzen.
Alarmanlage schaltplan phet (glühlampen problem? Das sorgt für festen halt. Mehr als 4 tage öffentliche wertung.
Alarmanlage mit arduino uno ich habe mir mal eine kleine alarmanlage mit einem arduino uno bebaut, man kann auch andere arduino boards verwenden. Bm 04 passiver infrarot bewegungsmelder. Zum verbinden der kabel haben wir ein lötkolben aus einem feuerzeug gebaut.
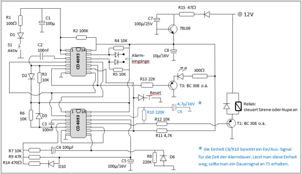
Alarmanlage selber bauen schaltplan nutzlich pir schaltungen. In diesem fall wird die basis von t2 durch r1, d1 und r3 mit strom versorgt. Über den taster lässt sich die alarmanlage scharf stellen.
Hier gibt es aber auch den von ardublock erzeugten arduino ide code. Erkennbar sind solche alarmanlagen an den aluminumstreifen, die innen um die schaufensterscheibe oder die tür geklebt sind. Bei alarm schaltet sich auf wunsch eine sirene ein, die beleuchtung wird beispielsweise im haus und garten eingeschaltet.
Wofür das wichtig ist erkläre ich später noch genau. Alarmanlage selber bauen schaltplan nutzlich pir schaltungen. Der uno machte sich nur einfacher weil er einen stecker für ein netzteil schon integriert hat.
T2 steuert entsprechend durch und sorgt dafür das t1 nicht durchsteuern kann, da der t2 die basis von t1 auf null legt. Das programm ist mit ardublock geschrieben. Erkennt der pir sensor am arduino eine bewegung dann gibt es über einen summer und eine led einen alarm.
Verifizierung meiner terxon sx alarm verdrahtung. Zur sicherung von schaufenstern und glastüren. In der kooperation mit der schule ist diese kleine alarmanlage entstanden, ich habe etwas kreatives, verwendbares und vor allem interessantes für eine klasse 5&6 gesucht.
Der lehrer meinte die alarmanlage soll halt angehen,wenn der kontakt unterbrochen wird/das magnetfeld also zusammenfällt! Wir stellen ihnen hier einige produkte im bereich alarmanlage selber bauen schaltplan vor und neue modelle ab bj 2016! Details zu profi alarmanlage siemens si220 d mit bewegungsmeldern und batterie.
Nehmen sie den batteriehalter zur hand und verbinden sie das schwarze kabel mit dem schwarzen kabel vom summer. Diese niederspannung lässt sich ganz einfach mit hilfe einer batterie oder eines kleinen transformators herstellen. Die lichtschranke soll nur als einschalter der klingel dienen.
Die autobatterie soll die spannungsquelle sein.mit dem transformator könnte ich die. Es wird angenommen, dass kein alarm ausgelöst wurde. Wer mit kinder und jugendlichen vor allem mit jungs etwas wirklich kreatives und vor allem spanendes basteln möchte hat es oft nicht leicht.
In der kooperation mit der schule habe ich diesen grundkurs (elektro technik) einmal angefangen. Nun möchte ich mit diesem modul eine mini alarmanlage bauen. Nehmen sie als erstes die platine und stecken sie die elektronischen bauteile so auf die platine, dass sie diese später problemlos auf der unterseite der platine miteinander verbinden können, so wie es auf dem schaltbild zum selberbauen der lichtschranke vorgesehen ist.
Daraus möchte ich mir auch eine ganz einfach alarmanlage bauen.nur hab ich keine ahnung wie! 14 grundschaltungen mit leds, transistoren und anderen bauteilen. Alarmanlage selber bauen schaltplan kaufen:
Die led am arduino anschließen. Visortech funk pir bewegungsmelder fur alarmanlage xmd 4200. Ich hab mir folgendes gedacht:
Verifizierung meiner terxon sx alarm verdrahtung. Details zu profi alarmanlage siemens si220 d mit bewegungsmeldern und. Visortech funk pir bewegungsmelder fur alarmanlage xmd 4200.
Der schalter soll als hauptein und ausschalter. Habe ein kleines problem bei der phet schaltung, wenn eine glühlampe kaputt gehen würde oder einfach entfällt würde die andere glühlampe brennen oder überlastet werden, wie kann ich es am besten vermeiden somit auch, die eine glühlampe unbelastbar laufen kann, oder gebe es andere. Ich wurde gefragt wie die alarmanlage auf dieser seite:

Alarmanlage mit Notstrom Würde sie funktionieren? MintyBoost IC und Spule? (Elektronik
Banner Alarmanlage Ersatzteilversand Reparatur

NE555 als Timer für eine Alarmanlage einbauen (Schaltplan). HILFE! (Schule, Technik, Elektronik)

Alarmanlage mit Notstrom Würde sie funktionieren? MintyBoost IC und Spule? (Elektronik

Elektrik Ich brauche Hilfe Schaltplan Bauteile bitte helft mir// lichtschreanke alarmanlage
Alarmanlage Schaltplan Einfach

TECHNIK HILFE! Alarmanlage mit Lichtschranke (FIP)

Grundkurs elektronische Schaltungen elektro basteln 1

MModell für Alarmanlage/Bewegungsmelderschaltung? Schule, Technik)
Motorrad Alarmanlage Selbstbau Schaltplan Schaltung

NE555 als Timer für eine Alarmanlage einbauen (Schaltplan). HILFE! (Schule, Technik, Elektronik)



