2008 Tundra Wiring Diagram
2008 toyota tundra wiring diagram manual original. This ensures you get the job done right the first time.
Wiring Diagram For 2008 Toyota Tundra Wiring Diagram
But the power wires to all six injectors would still have the same color wire.
2008 tundra wiring diagram. Check out our popular toyota tundra manuals below: Black vehicle second ignition wire location: It is very detailed with good diagrams and exploded views.
2008 toyota tundra remote starter wiring diagram. White vehicle battery positive wire location: Dasaita 10.2 touch screen 1 din android 10.0 car stereo for toyota tundra 2007 to 2013 and sequoia 2008 to 2018 radio gps dsp 4g ram 64g rom bluetooth navigation carplay android auto $569.99 natika backup/front view camera,ip69k waterproof great.
Automotive wiring in a 2008 toyota tundra vehicles are becoming increasing more difficult to identify due to the installation of. 2007, 2008 engine compartment instrument panel fuses (type a) fuse ampere rating [a] circuit 1 a/f 15 multiport fuel injection system/sequential multiport fuel injection system 2 horn 10 horn 3 efi no.1 25 multiport fuel injection system/sequential multiport fuel injection system 4 ig2 main. Toyota tundra stereo wiring diagram 2002 toyota tundra radio harness schematic wiring diagram u2022 rh freewiring today.
When you make use of your finger or even follow the circuit with your eyes, it’s easy to mistrace the circuit. 2008 toyota tundra wiring diagram from i802.photobucket.com. Print the electrical wiring diagram off plus use highlighters to trace the circuit.
2008 toyota tundra exhaust system diagram. If your injector wire colors are different than as listed above, there may have been production changes during the year. This is the official manual of the dealerships, written by toyota specifically for the vehicle (s) listed.
Toyota radio stereo wiring diagrams. 2006 rev 800ptek estart wiring diagram Get your hands on the complete toyota factory workshop software.
Discussion starter 1 oct 30 2008. Vehicle battery positive wire (+): Hank 2007 tundra sr5 dc lb 5.7 , underseat storage, sonar, backup camera, prodigy brake contoller, reese 16k 5'er hitch, towing mirrors, michelin lt at2 275/65r18/e, hellwig helper springs 2,000 lbs, 7/75 platinum warranty from handy toyota.
Complete installation instructions and lifetime technical support on all trailer wiring purchases. Truly, we have been realized that 2008 toyota tundra parts diagram is being one of the most popular subject at this moment. The importance of having the best exhaust system for toyota tundra one can't overestimate.
2011 toyota tundra wiring diagram. By continuing to use this site you consent to the use of cookies on your device as described in our cookie policy unless you have disabled them. Hopefully he reads this one as a wiring diagram is the answer.
Additional info (leave blank for none): The wiring diagram on the opposite hand is particularly beneficial to an outside electrician. 2008 toyota tundra wiring diagram.
By continuing to use this site you consent to the use of cookies on your device as described in our cookie policy unless you have disabled them. 2008 toyota tundra electrical wiring diagrams. I should note that the wiring diagram i am looking at shows this diagram as from a 2008 model manufactured during 2nd quarter of the year 2008.
Check out our popular toyota tundra manuals below. Carlinkit3.0 mini wireless carplay adapter,for factory wired car play cars,for audi,vw,volvo,citroen,renault,ford,toyota,,kia auto,usb mini 5g adapter converting wired carplay to wireless carplay. Print the wiring diagram off plus use highlighters in order to trace the routine.
Vehicle wiring details for your. Whether your an expert toyota tundra mobile electronics installer, toyota tundra fanatic, or a novice toyota tundra enthusiast with a 2008 toyota tundra, a car stereo wiring diagram can save yourself a lot of time. So that we attempted to get some good 2008 toyota tundra parts.
Diagram wire diagram 2005 toyota tundra full version hd quality toyota tundra radiodiagram portalealtomilanese it. Lowest price guarantee on accessories for your toyota tundra and the fastest shipping available. Describe the meaning of the c13 in the diagram component q.
Vehicle second ignition wire (+): Light green vehicle ignition wire location: Includes 2 to 15 515176481 ships in 2 to 3 days.
The product is currently out of stock. A single trick that we 2 to printing a similar wiring diagram off twice. Get your hands on the complete toyota factory workshop software £9.99 download now.
This information outlines the wires location, color and polarity to help you identify the proper connection spots in the vehicle. 1 trick that we 2 to printing a similar wiring plan off twice.

Regarding a 2008 Tundra 4.7L Want to confirm that the two IAT wires are the tan one and the
2008 Toyota tundra backup camera wiring diagram

Regarding a 2008 Tundra 4.7L Want to confirm that the two IAT wires are the tan one and the

Toyota Tundra 7 Pin Trailer Wiring Diagram Trailer Wiring Diagram
2008 Toyota Tundra Stereo Wiring Diagram Database Wiring Diagram Sample
Wiring Diagram 33 2008 Toyota Tundra Parts Diagram
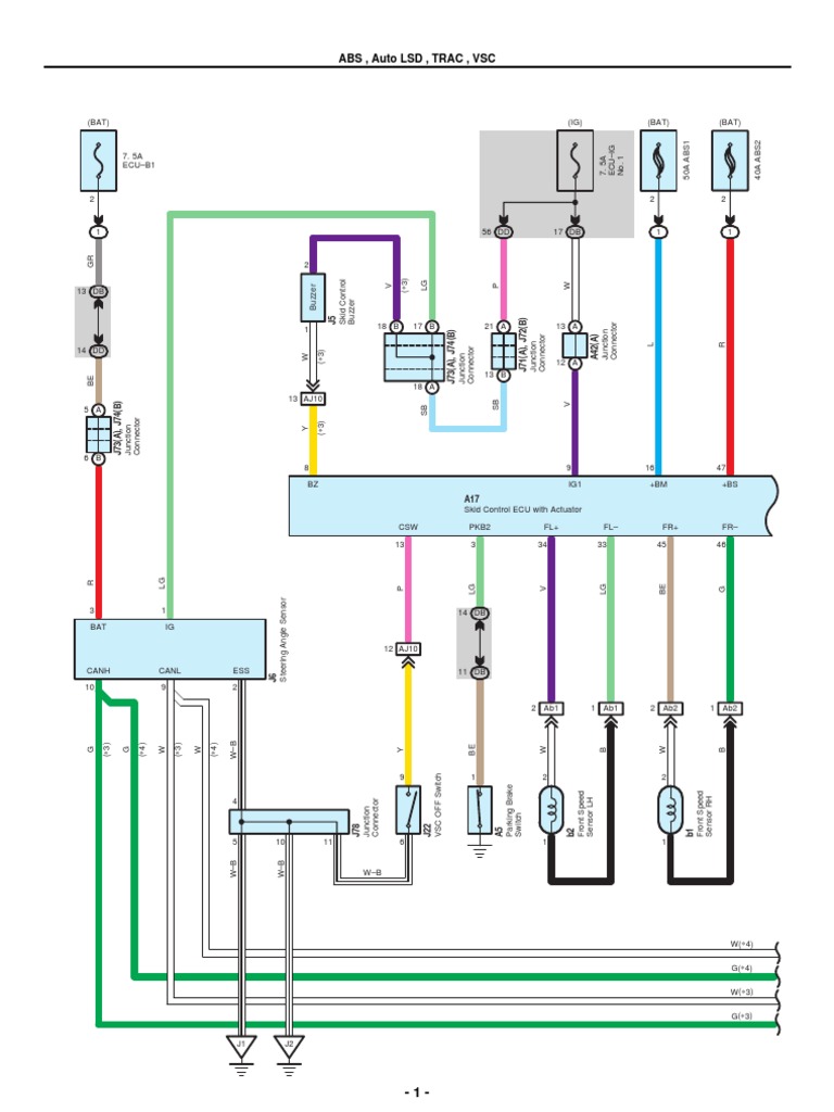
20072010 Toyota Tundra Electrical Wiring Diagrams Anti Lock Braking System Machines

Regarding a 2008 Tundra 4.7L Want to confirm that the two IAT wires are the tan one and the

2008 Toyota Tundra Stereo Wiring Diagram Database Wiring Diagram Sample
2008 Toyota Tundra Wiring Diagram Pictures Wiring Collection

27 Toyota Tundra Trailer Wiring Harness Diagram Wire Diagram Source Information

2008 Toyota Tundra Wiring Diagram Pictures Wiring Diagram Sample
Vehicle Parts & Accessories 2008 Toyota Tundra Wiring Diagrams Schematics Layout Factory OEM

2008 Toyota tundra backup camera wiring diagram
2008 Toyota Tundra Wiring Schematic schematic and wiring diagram

2008 Toyota Tundra Trailer Wiring Harness Pictures Wiring Collection

Regarding a 2008 Tundra 4.7L Want to confirm that the two IAT wires are the tan one and the

2008 Toyota Tundra Stereo Wiring Diagram Database Wiring Diagram Sample